ACEINNA OpenIMU335RI 6DOF Open-Source IMU Module

ACEINNA OpenIMU335RI 6DOF Open-Source IMU Module is a high-performance, rugged module with CAN and RS232 interfaces. The easy-to-use 6-DOF (9 optional) open inertial platform is packaged in a rugged sealed over-molded plastic housing. The ACEINNA OpenIMU335RI includes triple-redundant 3-Axis MEMS accelerometers and rate gyros which are fully calibrated over the operating temperature range.

The ACEINNA OpenIMU335RI 6DOF Open-Source IMU Module integrates a 168MHz ARM M4 CPU with a Floating Point Unit. The OpenIMU335RI runs the OpenIMU open-source stack that features an optimized 16-state Kalman Filter for Attitude and GPS-Aided Position Velocity-Time (PVT) measurement. The open navigation platform allows embedded navigation applications quickly developed on PC, MAC, and Ubuntu deployed to run on OpenIMU hardware.

Features

  • 0.1° Accuracy over temperature and angle
  • Precision 3-axis MEMS Accelerometer
  • Low-drift 3-axis MEMS angular rate sensor
  • Triple-redundant architecture with fault detection
  • 3-axis AMR Magnetometer (Optional)
  • CAN 2.0 and RS232 Interfaces
  • 168MHz ARM M4 processor
  • Open source tool chain / algorithms (VG/AHRS/INS)
  • Built in 16-state open source EKF
  • Open community & support
  • -40°C to +85°C Wide temperature range
  • 9V to 32V Wide supply voltage range
  • IP67 Ampseal connector
  • High reliability, MTBF >50k hours

Applications

  • Autonomous vehicles
  • Self-driving taxis / delivery vehicles
  • Construction vehicles - boom, bucket and cab attitude
  • Agriculture vehicles and implements
  • Forklifts
  • Robotics control/feedback
  • Antenna/camera gimballing and stabilization

Specifications

  • 6 (9 optional) Axis
  • Rugged / Sealed
  • 65mm x 66mm x 27mm Size
  • CAN / RS232 Interface
  • 16 6-pos Connector style ampseal
  • 400+/- deg/sec Gyro range
  • 1.3deg/hr Gyro in-run bias stability
  • 0.1% Gyro non-linearity
  • 5-50Hz Gyro bandwidth
  • 0.1deg/sec Gyro bias over temp
  • 0.1deg/√hr Gyro angular random walk
  • 8+/-g Accel range
  • 5-50Hz Accel bandwidth
  • 8+/- Gauss magnetic field range (optional)

Software Block Diagram

ACEINNA OpenIMU335RI 6DOF Open-Source IMU Module

Hardware Block Diagram

ACEINNA OpenIMU335RI 6DOF Open-Source IMU Module

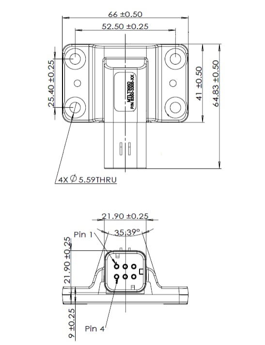
Outline Dimensions mm

ACEINNA OpenIMU335RI 6DOF Open-Source IMU Module
Published: 2021-05-28 | Updated: 2022-03-11