Analog Devices / Maxim Integrated MAX14720 & MAX14750 Power Management Solutions

Analog Devices MAX14720 and MAX14750 Power Management Solutions integrate a power switch, a linear regulator, a buck regulator, and a buck-boost regulator. The Analog Devices MAX14720 and MAX14750 are ideal for space-constrained, battery-powered applications where size and efficiency are critical. The MAX14720 is designed to be the primary power management device. The MAX14720 is ideal for either non-rechargeable battery (coin-cell, dual alkaline) applications or rechargeable solutions. The MAX14750 works well as a companion to a charger or PMIC in rechargeable applications. The MAX14750 provides direct pin control of each function and allows greater flexibility for controlling sequencing.

The Analog Devices MAX14720 and MAX14750 Power-Management Solutions are available in a 25-bump, 0.4mm pitch, 2.26mm x 2.14mm wafer-level package (WLP) and operate over the -40°C to +85°C extended temperature range.

Features

  • Extended System Battery Use Time
    • Micro-IQ 250mW Buck-Boost Regulator
      • Input Voltage from 1.8V to 5.5V
      • Output Voltage Programmable from 2.5V to 5V
      • 1.1µA Quiescent Current
      • Programmable Current Limit
    • Micro-IQ 200mA Buck Regulator
      • Input Voltage from 1.8V to 5.5V
      • Output Voltage Programmable from 1.0V to 2.0V
      • 0.9µA Quiescent Current
    • Micro-IQ 100mA LDO
    • Input Voltage From 1.71V to 5.5V
      • Output Programmable From 0.9V to 4.0V
      • 0. 9µA Quiescent Current
      • Configurable as Load Switch
  • Extended Product Shelf-Life
    • Battery Seal Mode (MAX14720)
      • 120nA Battery Current
    • Power Switch On-Resistance
      • 250mΩ (max) at 2.7V
      • 500mΩ (max) at 1.8V
    • Battery Impedance Detector
  • Easy-to-Implement System Control
    • Configurable Power Mode and Reset Behavior (MAX14720)
      • Push-Button Monitoring to Enable Ultra-Low Power Shipping Mode
      • Disconnects All Loads From Battery and Reduces Leakage to Less than 1µA
      • Power-On Reset (POR) Delay and Voltage Sequencing
    • Individual Enable Pins (MAX14750)
    • Voltage Monitor Multiplexer
    • I2C Control Interface
  • Physical characteristics
    • -40°C to +85°C operating temperature range
    • 2.26mm x 2.14mm WLP-25 package; 0.4mm pitch

Applications

  • Portable Medical Devices
  • Wearable Fitness Devices
  • Wearable Medical Devices

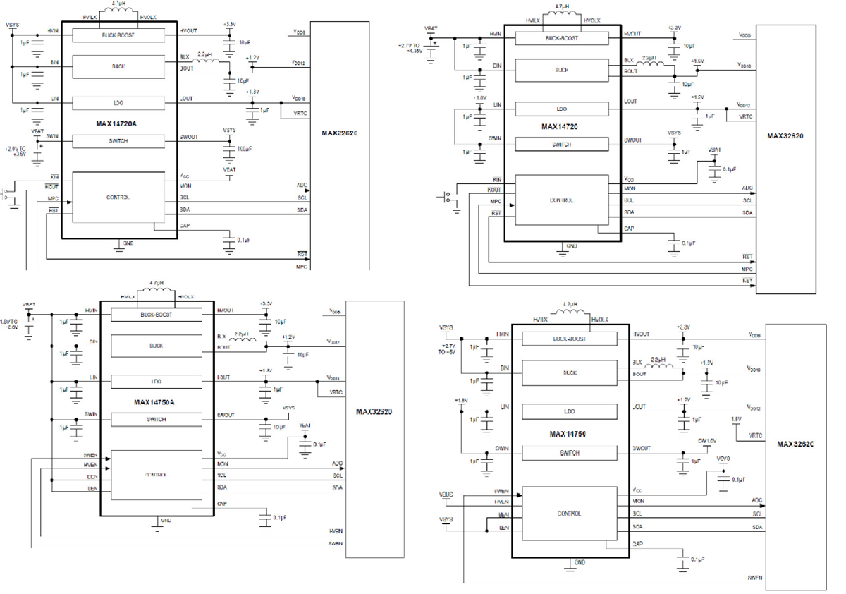
Typical Application Circuit Diagram

Application Circuit Diagram - Analog Devices / Maxim Integrated MAX14720 & MAX14750 Power Management Solutions
Published: 2016-10-13 | Updated: 2025-01-28