Analog Devices / Maxim Integrated MAX2244x 4-Channel Digital Isolators
Analog Devices MAX2244x 4-Channel Digital Isolators are reinforced, fast, and low-power digital isolators. These devices are designed to transfer digital signals between the circuits with different power domains using 0.74mW per channel at 1Mbps. The MAX22445 isolators offer unidirectional channel configurations to accommodate any 4-channel design that includes SPI, RS-485, and digital I/O applications. These digital isolator channels are always enabled, and the default state of the outputs of these devices is selectable.The Analog Devices MAX2244x isolators feature data rates of either 25Mbps or 200Mbps, independent 1.71V to 5.5V supplies on each side of the isolators, and three direction configurations. These devices operate from -40°C to 125°C temperature range. The MAX2244x 4-channel digital isolators are available in a 16-pin wide-body SOIC package with 8mm of creepage and clearance. Typical applications include isolated SPI interface, battery management, isolated RS-485/RS-422, and medical systems.
Features
- Utilizes Analog Device's proprietary process technology
- Reinforced galvanic isolation for fast digital signals
- Up to 200Mbps maximum data rate
- Withstands 5kVRMS for 60s
- Continuously withstands 1500VRMS
- Withstands ±10kV surge between GNDA and GNDB with 1.2/50μs waveform
- Low power consumption
- 0.74mW per channel @ 1Mbps with 1.8VDD
- 1.4mW per channel @ 1Mbps with 3.3VDD
- 3.2mW per channel @ 100Mbps with 1.8VDD
- Options to support a broad range of applications
- Two maximum data rates (200Mbps or 25Mbps)
- Three direction configurations
- Active-high or active-low enable inputs
- Two fixed output default states (high/low) or pin-selectable (M/N versions)
Applications
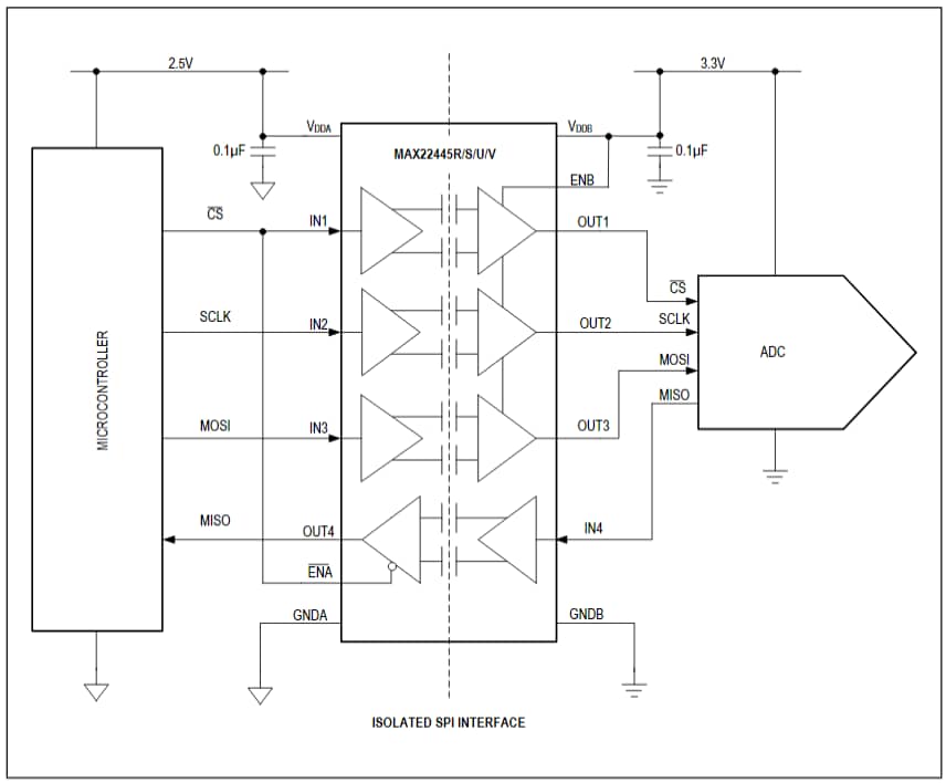
- Isolated SPI interface
- Fieldbus communications for industrial automation
- Isolated RS-485/RS-422 and Controller Area Network (CAN)
- Battery management
- Medical systems
Application Diagram
View Results ( 13 ) Page
| Part Number | Datasheet | Polarity | Data Rate | Isolation Type | Propagation Delay Time | Maximum Fall Time | Maximum Rise Time |
|---|---|---|---|---|---|---|---|
| MAX22444CAWE+ | ![]() |
Unidirectional | 200 Mb/s | Galvanic Isolation | 6.1 ns | 3 ns | 2.4 ns |
| MAX22445EAWE+ | ![]() |
Unidirectional | 25 Mb/s, 200 Mb/s | Capacitive Coupling | |||
| MAX22445FAWE+ | ![]() |
Unidirectional | 25 Mb/s, 200 Mb/s | Capacitive Coupling | 5.7 ns | 3 ns | 2.4 ns |
| MAX22446EAWE+T | ![]() |
Bidirectional | 25 Mb/s, 200 Mb/s | Galvanic Isolation | 24.2 ns | 0.8 ns | 1 ns |
| MAX22441CAEE+ | ![]() |
||||||
| MAX22446CAWE+ | ![]() |
Unidirectional | 25 Mb/s, 200 Mb/s | Capacitive Coupling | 6.1 ns | 3 ns | 2.4 ns |
| MAX22441FAEE+ | ![]() |
||||||
| MAX22446EAWE+ | ![]() |
Bidirectional | 25 Mb/s, 200 Mb/s | Galvanic Isolation | 24.2 ns | 0.8 ns | 1 ns |
| MAX22441CAEE+T | ![]() |
||||||
| MAX22441FAEE+T | ![]() |
Published: 2018-06-27
| Updated: 2023-06-27

