Broadcom ACPL-K378 Voltage/Current Detector Optocouplers

Broadcom ACPL-K378 Isolated Voltage/Current Detector Optocouplers come with adjustable upper and lower thresholds. The devices utilize threshold-sensing input buffer ICs that permit control of threshold levels over a wide range of input voltages with a single external resistor. The input buffer incorporates several features, including switching immunity, hysteresis for enhanced noise immunity, and a diode bridge for easy use with internal clamping diodes and AC input signals. This feature protects the buffer and LED from a wide range of overvoltage and overcurrent transients. Variations in optical coupling from the LED to the detector do not affect the threshold levels because threshold sensing is done before driving the LED.

The Broadcom ACPL-K378’s input buffer IC has a nominal turn-on threshold of 1.3mA (ITH+) and 3.8V (VTH+). The high-gain output stage features an open-collector output that provides both TTL-compatible saturation voltages and CMOS-compatible breakdown voltages. The user is provided with an ideal component for industrial control computer input boards and other applications where a predetermined input threshold level is desirable by combining several unique functions in a single package.

Features

  • Wide AC or DC detection range
  • User-configurable single/dual detection levels
  • Built-in hysteresis that improves noise immunity
  • Logic-compatible output
  • Wide 2V to 18V output supply voltage
  • -40°C to +105°C operating temperature range
  • SSO-8 package
  • Safety and regulatory approval
    • UL 1577 recognized: 5000Vrms for 1 minute
    • CSA approval
    • IEC/EN/DIN EN 60747-5-5 approval for reinforced insulation

Applications

  • Limit switch sensing
  • Low-voltage detectors
  • AC mains and DC link voltage detection
  • Relay contact monitors
  • Relay coil voltage monitors
  • Current sensing
  • Microprocessor interfacing

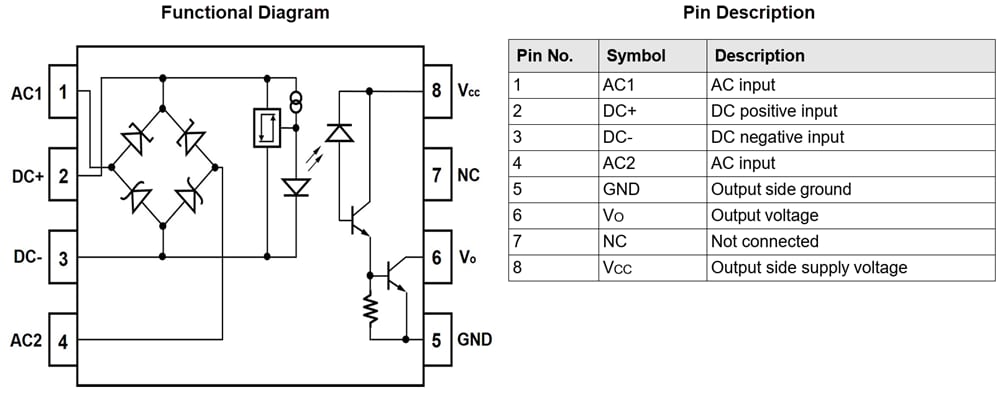
Functional Diagram/Pin Description

Chart - Broadcom ACPL-K378 Voltage/Current Detector Optocouplers
Published: 2025-11-26 | Updated: 2025-12-15