Mini-Circuits SRA-1H+ Plug-In Double Balanced Frequency Mixer

Mini-Circuits SRA-H1+ Plug-In Double-Balanced Frequency Mixer is a Level 17 (LO Power +17dBm) RF mixer with a 0.5MHz to 500MHz range. The SRA-H1+ component is packaged in a hermetic A01 case style with a rugged welded construction. This 8-pin, through-hole mounted unit allows secure electrical and mechanical connections. The Mini-Circuits SRA-H1+ Plug-In Double-Balanced Frequency Mixer also features an operating and storage temperature range of -55°C to +100°C, a 200mW RF power, and 40mA IF current. Mixers are used in systems covering communications, weapons, test instruments, radar, data transmission, and more.

Features

  • Excellent conversion loss (6.01dB typical)
  • Rugged welded construction
  • Hermetic
  • Level 17 (LO Power +17dBm)
  • High L isolation ratings
    • 45dB typical L-R isolation
    • 40dB typical L-I isolation
  • RoHS compliant

Applications

  • VHF/UHF
  • Defense and federal communications
  • Instrumentation

Specifications

  • -55°C to +100°C operating and storage temperature range
  • 200mW RF power
  • 40mA IF current
  • 0.5MHz to 500MHz frequency range
  • A01 case style

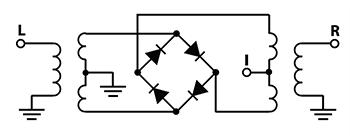
Schematic

Schematic - Mini-Circuits SRA-1H+ Plug-In Double Balanced Frequency Mixer
Published: 2021-01-28 | Updated: 2022-03-11