Monolithic Power Systems (MPS) MP2161 Synchronous Step Down Switchers

Monolithic Power Systems (MPS) MP2161 Synchronous Step Down Switchers are monolithic switch-mode converters with built-in internal power MOSFETs in a TSOT23-8 package. The MP2161 features 2A continuous output current from a 2.5V to 6V input voltage with excellent load and line regulation. The MP2161 allows a regulated output voltage as low as 0.6V.

The MPS MP2161 Synchronous Step Down Switchers offer a Constant-On-Time control scheme achieving a fast transient response and eases loop stabilization. Fault condition protection includes cycle-by-cycle current limiting and thermal shutdown.

The MP2161 is housed in the small TSOT23-8 package and requires a minimum number of readily available standard external components. The MP2161 is suitable for many applications, including high-performance DSPs, FPGAs, PDAs, and portable instruments.

Features

  • Very low 17μA IQ
  • Default 1.5MHz switching frequency
  • EN and Power Good for power sequencing
  • Wide 2.5V to 6V operating input range output adjustable from 0.6V
  • Up to 2A output current
  • 100% duty cycle in dropout
  • 100mΩ and 60mΩ internal power MOSFET switches
  • Cycle-by-cycle over current protection
  • Short circuit protect with hiccup mode
  • Stable with low ESR output ceramic capacitors
  • Available in a TSOT23-8 package

Applications

  • Wireless/networking cards
  • Portable instruments
  • Battery-powered devices
  • Low voltage I/O system power

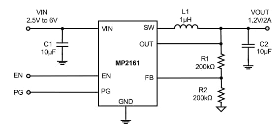
Typical Application

Application Circuit Diagram - Monolithic Power Systems (MPS) MP2161 Synchronous Step Down Switchers

Videos

Published: 2021-12-22 | Updated: 2022-03-11