ROHM Semiconductor ML86640-EVA Evaluation Board

ROHM Semiconductor ML86640-EVA Evaluation Board is designed to facilitate the evaluation and development of applications using the LAPIS ML86640TB video encoder, a highly capable device for encoding video signals in various formats. The ML86640TB is well-suited for automotive, industrial, and consumer electronics applications, offering high-quality video encoding with efficient power consumption. The ML86640-EVA board provides an easy-to-use platform for testing the video encoding capabilities of the ML86640TB, which supports multiple video standards and resolutions, enabling seamless integration into video processing systems.

The ROHM Semiconductor ML86640-EVA evaluation board is equipped with the necessary interfaces for connecting to video input/output devices and includes software tools to help developers fine-tune video parameters, ensuring optimal performance. With a compact design and comprehensive features, the ML86640-EVA board simplifies the development process for video applications, making it an ideal solution for developers looking to integrate the ML86640TB video encoder into existing systems.

Features

  • Evaluates the LAPIS ML86640TB Video Encoder
  • RESET and I2C control
  • Audio processing capabilities
  • Flexible interface
  • Low power consumption
  • High-quality output
  • User-friendly design
  • 125mm x 107mm x 28mm (WxDxH) size

Applications

  • Car navigation
  • Display audio
  • In-vehicle cameras
  • Drive recorders
  • Video intercoms

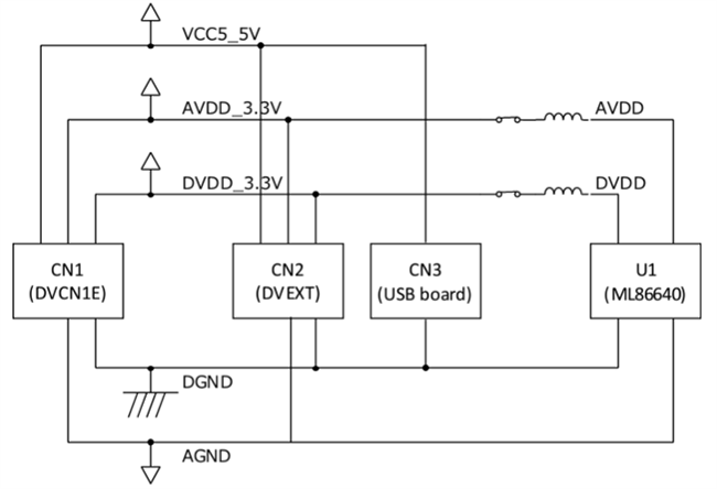
Schematic

Schematic - ROHM Semiconductor ML86640-EVA Evaluation Board
Published: 2024-12-18 | Updated: 2025-01-23