Texas Instruments CSD95411 Synchronous Buck NexFET™ Power Stage

Texas Instruments CSD95411 Synchronous Buck NexFET™ Power Stage is a highly optimized design for use with a high-power, high-density synchronous buck converter. This device integrates the driver IC and power MOSFETs to complete the power stage switching function. This combination produces high-current, high-efficiency, and high-speed switching capability in a small 5mm × 6mm outline package. The power stage also integrates accurate current sensing and temperature sensing functionality to simplify system design and improve accuracy. The optimized PCB footprint of the Texas Instruments CSD95411 helps reduce design time and simplify the completion of the overall system design.

Features

  • 65A peak continuous current
  • Over 94% peak efficiency (fSW = 600kHz, LOUT = 150nH) 
  • Up to 1.75MHz high-frequency operation
  • Diode emulation function
  • Temperature-compensated bi-directional current sense
  • Analog temperature output
  • Fault monitoring
  • 3.3V and 5V PWM signal compatible
  • Tri-state PWM input
  • Integrated bootstrap switch
  • Optimized dead time for shoot-through protection
  • High-density industry common QFN 5mm × 6mm footprint
  • Ultra-low-inductance package
  • System-optimized PCB footprint
  • Thermally enhanced topside cooling
  • RoHS-compliant, lead-free terminal plating
  • Halogen-free

Applications

  • Multiphase synchronous buck converters
    • High-frequency applications
    • High-current, low-duty cycle applications
  • POL DC-DC converters
  • Memory and graphic cards
  • Desktop and server VR12.x / VR13.x / VR14.x VCore synchronous buck converters

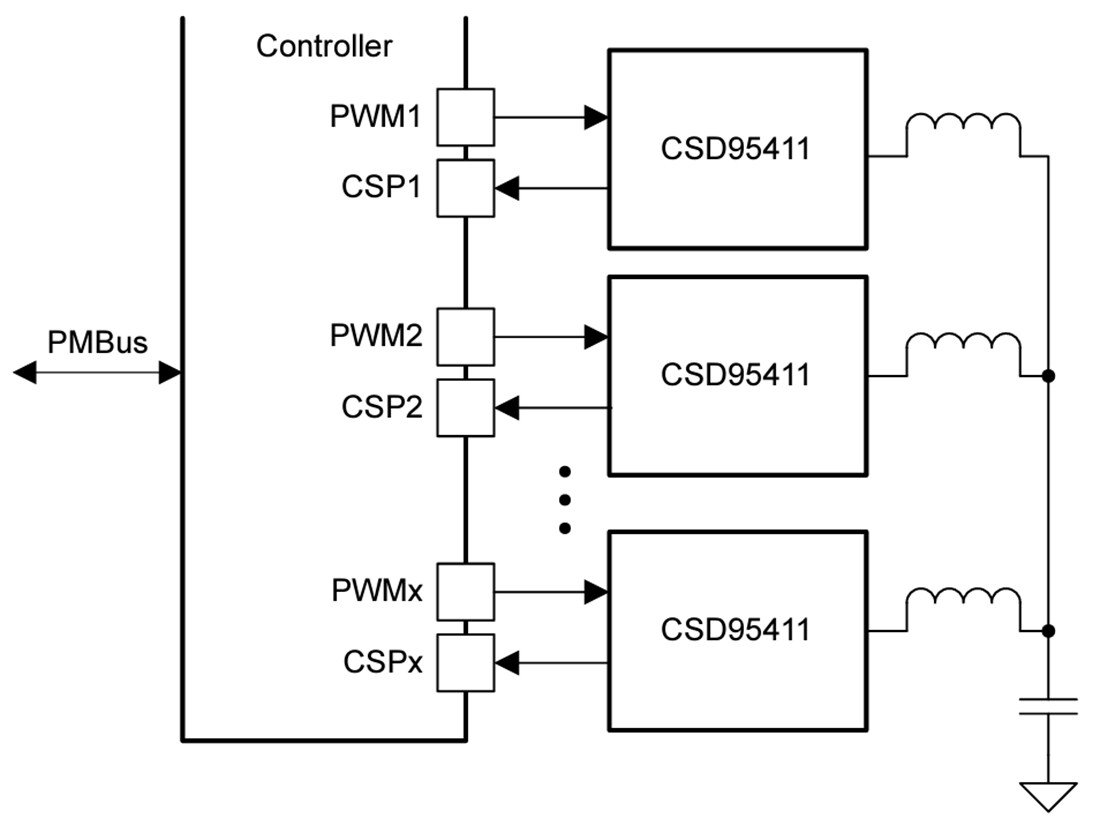
Simplified Application

Application Circuit Diagram - Texas Instruments CSD95411 Synchronous Buck NexFET™ Power Stage
Published: 2023-03-06 | Updated: 2023-03-13