Texas Instruments TMDS1204 12Gbps Hybrid Redriver

Texas Instruments TMDS1204 12Gbps Hybrid Redriver is an HDMI 2.1 redriver supporting data rates up to 12Gbps. It is backward compatible with HDMI 1.4b and HDMI 2.0b. The high-speed differential inputs and outputs can either be DC-coupled or AC-coupled. This feature qualifies the TMDS1204 to be used as a DP++ to HDMI level shifter or HDMI redriver. The TMDS1204 can support 3- and 4-lane HDMI 2.1 FRL at 3, 6, 8, 10, and 12Gbps.

The TMDS1204 is a hybrid redriver supporting both sink and source applications. A hybrid redriver can operate either in a limited or linear redriver function. When the TMDS1204 is configured as a limited redriver, the differential output voltage levels are independent of the graphics process unit (GPU) output levels ensuring HDMI-compliant levels at the receptacle. The limited redriver mode is recommended for HDMI source applications. When the TMDS1204 is configured as a linear redriver, the differential output levels are a linear function of the GPU output levels. This feature enables the TMDS1204 to be transparent to link training and operate as a channel shortener. Linear redriver mode is recommended for HDMI sink applications.

The Texas Instruments TMDS1204 has an integrated HPD level shifter. The HPD level shifter will shift the 5V HPD signal to either 1.8V or 3.3V. The level shifter output can also be configured for pull, push, or open drain. Integrating the level shifter eliminates discrete solutions and saves system costs. The TMDS1204 supports single power supply rails of 3.3V on VCC. It is offered in a commercial temperature (TMDS1204) and industrial temperature (TMDS1204I).

Features

  • AC-coupled or DC-coupled input and output supporting HDMI 2.1 data rates up to 12Gbps
    • Backward compatible with HDMI 1.4b and HDMI 2.0b
    • HDMI 2.1 fixed rate link (FRL) of 3, 6, 8, 10, and 12Gbps
    • Supports HDMI 2.1 three and four-lane FRL
  • Optimized for HDMI sink applications
  • Adaptive and fixed equalizer up to 12dB at 6GHz
  • I2C or pin strap programmable
  • Integrated HPD level shifter supporting both 1.8V and 3.3V LVCMOS levels
  • Full lane swap on main lanes
  • Integrated fan-out buffer for applications that require separate clock and data paths
  • A signal detect output indicator
  • Digital display control (DDC) snooping function for link configuration
  • Low power consumption
    • 12G FRL four lanes active limited: 575mW
    • 12G FRL four lanes active linear: 220mW
    • 0.6mW power down
  • Available in commercial and industrial temperature
  • Single 3.3V power supply
  • 40-pin, 0.4mm pitch, 4mm × 6mm, WQFN package

Applications

  • Notebooks and desktops
  • TV
  • Home theater and entertainment
  • Gaming systems
  • Docking stations
  • Pro audio, video, and signage

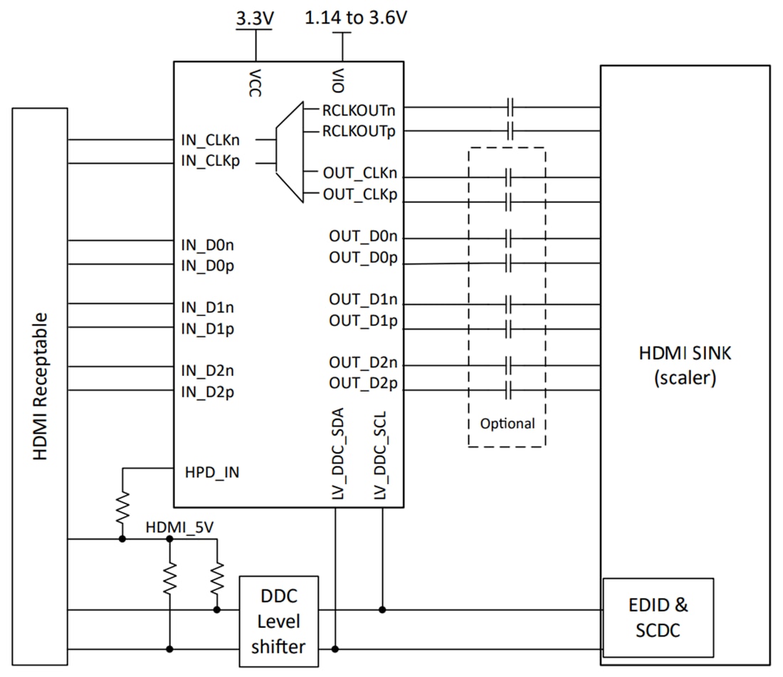
Simplified Schematic

Schematic - Texas Instruments TMDS1204 12Gbps Hybrid Redriver
Published: 2022-10-11 | Updated: 2023-04-13